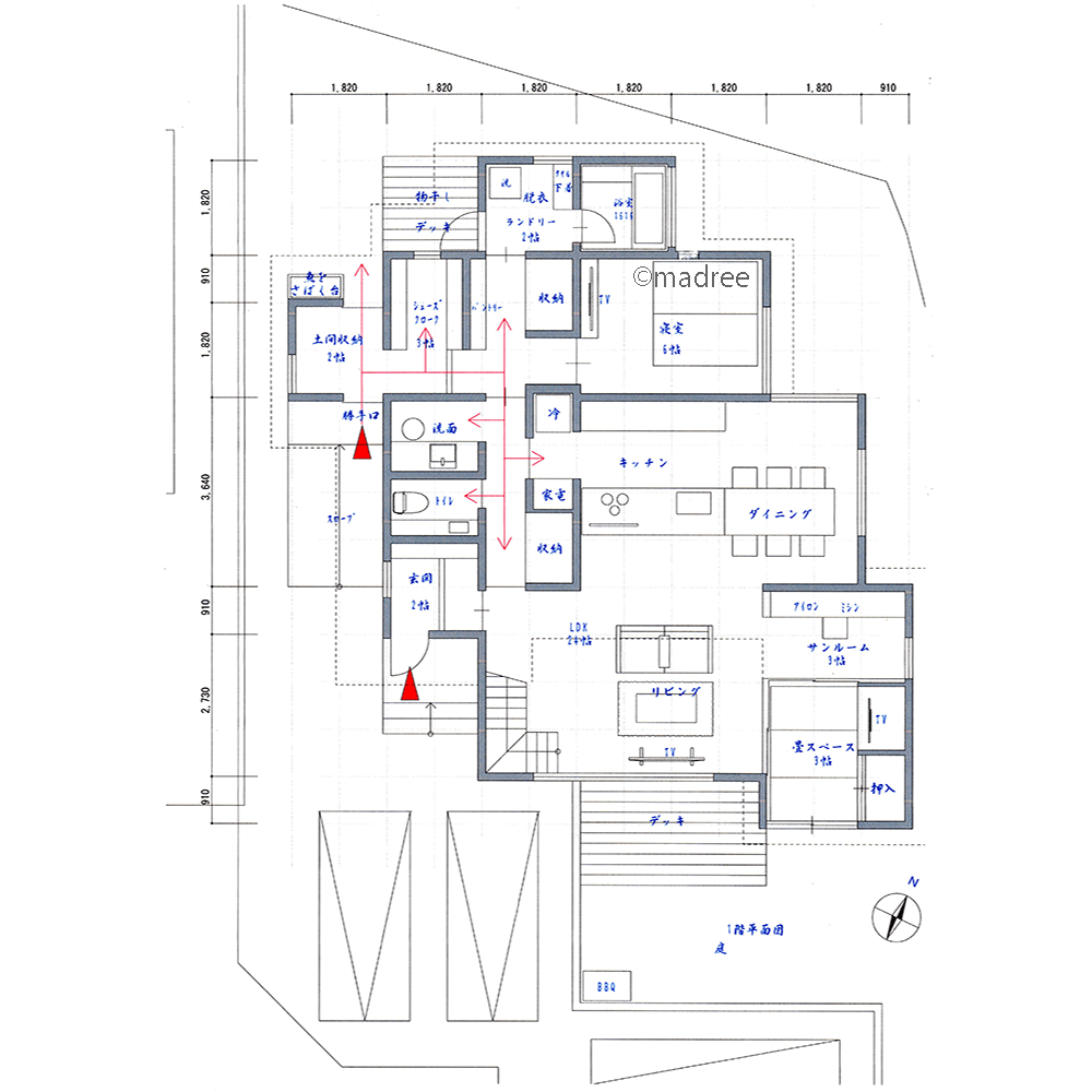
[43坪 4LDK] 勝手口からの日常用出入り口で、家族の生活動線が楽に繋がる家の間取り
全国の建築家から間取りが集まるmadree(マドリー)で集まった43坪、4LDKの間取りです。外とつながるLDKやアウトドアリビングが特徴の注文住宅の間取りです。
勝手口からの日常用出入り口で、家族の生活動線が楽に繋がる家はこのような方におすすめです
・40代共働き夫婦、子ども3人(長男19、次男16、長女14)
・趣味:釣り、野球、カラオケ
・キッチンに近い屋外に、魚などさばける流し台を設けたい。
・家の中からも外からも出入りできるストックヤードで、荷運びを楽にしたい。
全国対応になりました
建築家・デザイナー
からのコメント
【全体のコンセプト】
・将来1階で暮らせる、平屋みたいな2階建ての家。
■外構
・引き込み道路に面して、4台の駐車スペースを取りました。
・建物を北側に寄せて配置しました。
・アプローチを正面玄関と勝手口に分け、日常の出入りは勝手口をメインとしました。
・勝手口から土間収納→シューズクローク→パントリー→洗面→トイレ→キッチンと繋がります。
・サービスヤードに、流し台・ごみ置き場・物干しデッキを設けましました。
・大屋根は南側を低くするように掛けています。
■1階
・対面フルフラットキッチンの東側に、6人が座れるダイニングテーブル設けました。
・キッチンから、リビング・サンルーム・畳スペースがオープンに繋がります。
・リビング上部は吹抜で、南側に低くなっています。
・西側にスケルトン階段を配置しました。
・南面の大開口からLDKに太陽光が降りそそぎます。
■2階
・子ども部屋3室と、廊下に面した吹抜で構成されています。
43坪 4LDK関連の間取り
マドリー開発の『住宅営業支援ツール』
madreeデータバンク
マドリーの人気間取り4,800プランを接客・提案に活用できる営業支援ツール
- 競合他社と差がつく、スピード提案
- トレンド間取りで、集客・受注数UP
- 建築家のアイデアを参考に、質の高い提案ができる









